保定大力起重機械有限公司
電話:400-0312-118
0312-3022118
0312-3122118
0312-3155118
手機:15803222055
傳真:0312-3027600
掃一掃,加微信好友!

保定大力起重機械有限公司
電話:400-0312-118
0312-3022118
0312-3122118
0312-3155118
手機:15803222055
傳真:0312-3027600
掃一掃,加微信好友!

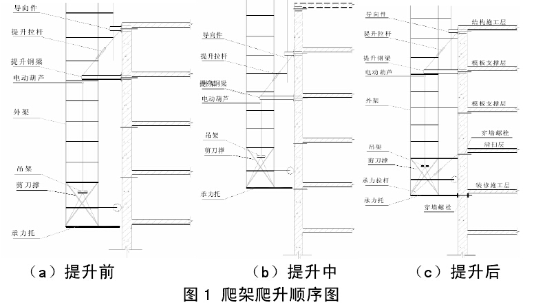
某高層建筑,高35層,地下室2層,裙樓5層,其中6~32層為辦公樓,33~35層為屋頂機房,建筑的外架從塔樓的第 6 層開始,采用整體電動升降爬架。爬架由鋼管扣件搭設的四層半高封閉式的外腳手架系統(tǒng),承力桁架、承力拉桿和連接螺栓組成的承力系統(tǒng),以及電動葫蘆、總控制臺組成的電控升降系統(tǒng)這三大部分構成。爬架使用 26 個爬架電動葫蘆作升降設備,間距 4000~7000mm,小間距位于平面轉角部位,大部位位于提升字架處。爬架總高 18.6m,由 13 步架組成,每步架步距 1.4 m,可同時滿足 4 個標準層結構施工及外裝修操作要求;頂一步架高出作業(yè)層一步架,以滿足結構施工的安全防護要求。
模板升降原理
如圖1(a)所示,在各項準備工作全部就緒,在檢查合格的前提下,啟動電動葫蘆,讓葫蘆鏈條處于受力狀態(tài);松動并脫開下部承力拉桿、承力托和臨時固定件,使爬架僅由上部導向桿、下部導向輪及提升葫蘆與建筑物相連接。電控柜操作人員按“上升”按鈕,全部電動葫蘆同時起動,牽動整體外架以 100mm/min 的速度在導向桿的約束下提升(如圖 1(b))。提升到位后,立即將承力拉桿、承力托和臨時固定件與建筑物埋件或穿墻螺栓作可靠固定,同時用鋼管扣件將外架與建筑物內支撐拉接穩(wěn)固。用手動葫蘆掛于外架頂部與提升系統(tǒng)相對應的加強部位,手動提升懸桃的提升鋼梁、提升拉桿、電動葫蘆、導向桿等上移一層相應固定,等待下一次提升。(如圖1(c))。爬架下降,除按動電控柜操作臺“下降”按鈕外,其他準備工作、實施步驟及操作要求與上升相同。

上一條:電動葫蘆檢修后的檢查及設備運行簡況
下一條:物料承重專用各種類型電子吊秤